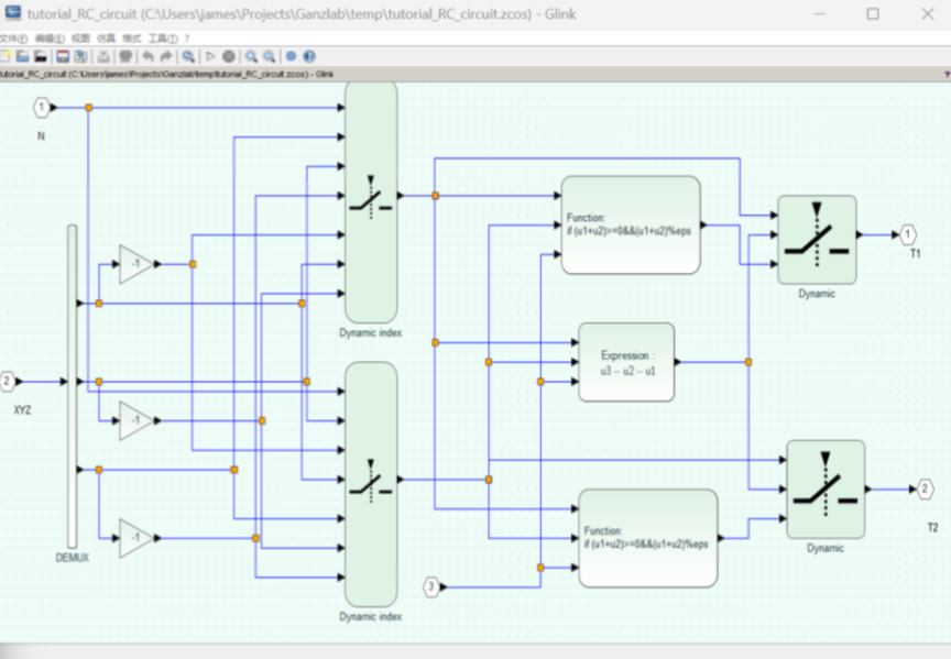
丰富的函数库,支持多种语言混合编程的计算平台,Ganzlab作为自主开发的工程与科学应用数值计算软件,现约有 800 个用于科学和工程计算的数学函数
1/6
诚信为本·客户为尊·创新为魂·与时俱进
科学计算与仿真建模软件


工程领域多学科优化软件


新一代高性能、可靠、安全、易用的工业软件云平台


基于前沿的互联网技术打造的数字化研发协同平台


科学计算与仿真建模软件


工程领域多学科优化软件


新一代高性能、可靠、安全、易用的工业软件云平台


基于前沿的互联网技术打造的数字化研发协同平台


丰富的函数库,支持多种语言混合编程的计算平台,Ganzlab作为自主开发的工程与科学应用数值计算软件,现约有 800 个用于科学和工程计算的数学函数


基于Ganzlab/Glink环境提供包括模型建立、仿真分析、算法开发、数据可视化、控制系统设计、信号处理、代码生成以及与硬件和其他软件工具集成等一系列工程服务。
提供模型设计、代码自动生成、实时仿真、测试和验证、以及与AUTOSAR兼容的应用层软件开发等工程服务。
提供算法开发与验证、自动代码生成、实时仿真、硬件接入与测试、以及与嵌入式系统和工具链的集成等工程服务。
整车结构分析、整车碰撞、乘员约束系统、整车空气动力学、NVH等CAE咨询服务
与行业领先企业携手,共同推动工业软件发展
公司凭借在工业软件领域的创新成果,荣获2024年度科技创新奖,这是对公司技术实力的认可。
Ganzlab科学计算与仿真建模软件发布新版本,优化算法性能,整体性能提升30%,用户体验显著改善。
公司与上海交通大学签署战略合作协议,将在科研、人才培养等方面展开深度合作,共同推动工业软件发展。
WorkPlus产品研发协同平台注册用户数突破10万,标志着平台在行业内的影响力进一步提升。
公司受邀参加2024工业软件大会,展示最新产品和技术成果,与行业专家深入交流。
SodoCloud工业软件云平台正式上线,为企业提供云端工业软件服务,助力企业数字化转型。